Sydney Block Plan specializes in developing comprehensive fire compliance block plans and effective evacuation strategies tailored to Australian Standards. Our team consists of FPAS accredited professionals dedicated to ensuring safety and regulatory compliance meet to AS2419, AS2118, AS1670.1, AS3745 and Local Fire Brigade.
We strive to provide high-quality, reliable engineering solutions that serve the community's needs and enhance safety awareness. Collaborating with various industry partners, we aim to create safe spaces for everyone.
YEARSIN BUSSINESS
Projects Completed
Happy Clients
Required to be prominently displayed within the booster, fire control room, and pump room in accordance with AS 2419. These plans must be water and fade-resistant. All fire hydrants, stop valves, and related fire safety equipment must be distinctly marked on a minimum A3 size layout, ensuring clarity and accessibility for emergency responders
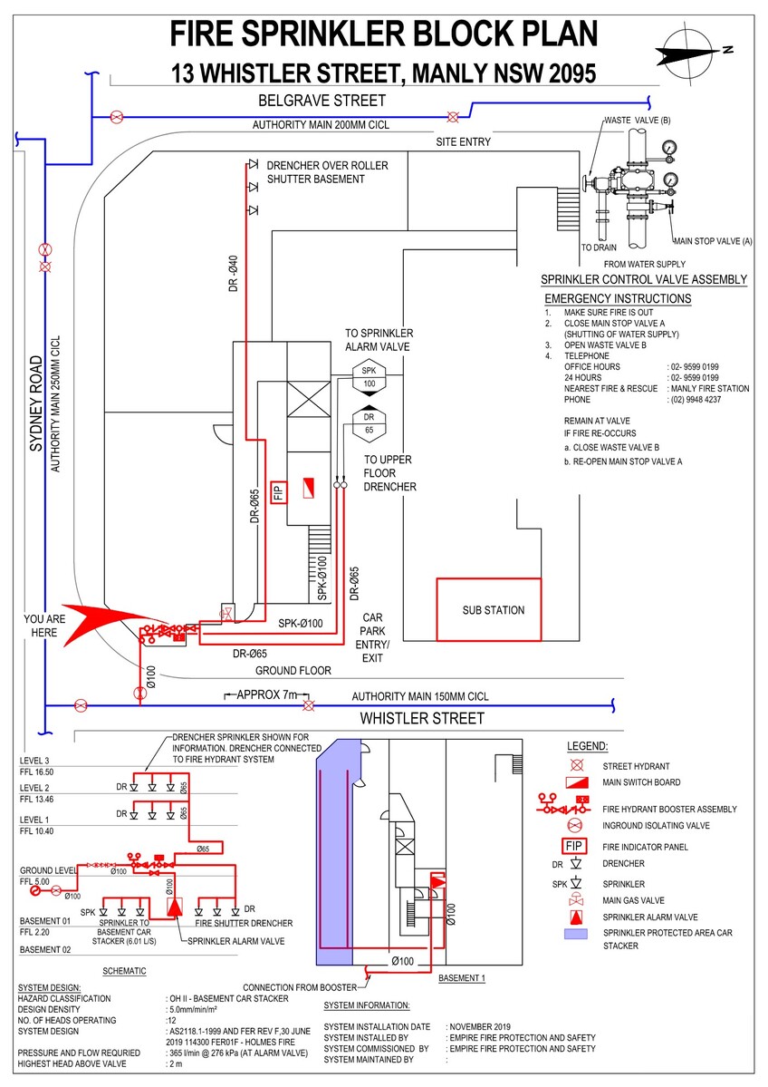
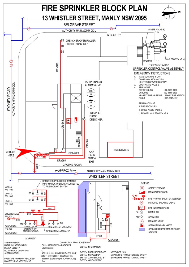
AS 2118.1 requires a clear and durable block plan to be installed at the booster, pump room and sprinkler alarm valve room. The block plan must show water supply arrangements, valve locations, zones, pipework layout, isolation points and all key operational information needed for emergency response and maintenance.
Mandatory installations required adjacent to Fire Indicator Panels (FIP) and MIMIC panels as defined in AS 1670. These plans must clearly indicate the location of the FIP and correspondence each fire alarm zone, ensuring compliance with Australian regulations and enhancing emergency preparedness.
From February 2026, AS 1851 will require all fire systems to have complete baseline data before routine servicing. This includes approved drawings, commissioning records, equipment details and any modification history. Where baseline data is missing, it must be documented and systems maintained in line with AS 1851.
MANDATORY in all buildings, structures, and workplaces that are, or may be, occupied by people, as stipulated in AS 3745-2010. These diagrams must highlight all fire-fighting equipment in red, clearly mark designated exits in green, and be updated every five years.
Fire safety assessments are a vital part of maintaining fire safety compliance in Australia. These assessments involve a thorough evaluation of a building or site to identify fire risks, review existing safety measures, and develop effective strategies to improve protection.





For any inquiries regarding fire compliance block plans and evacuation strategies, feel free to reach out. Our skilled team at Sydney Block Plan is here to assist you with professional advice and tailored solutions for a safer Sydney. We value your communication and aim to respond as quickly as possible to all messages.
363 West Botany Street,
Rockdale NSW 2216
0434938035